產品介紹
產品簡介:

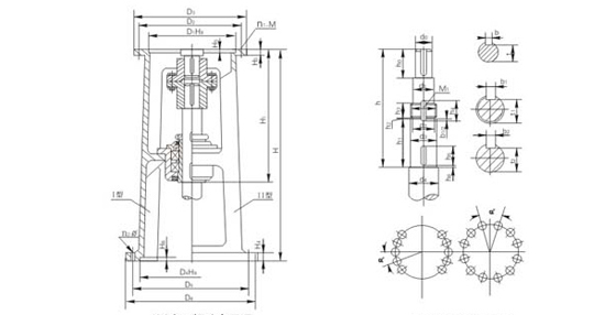
DJ、LDJ型單支點機架主要參數及尺寸
型號
H1
H3
H4
H5
H6
輸入端接口
輸出端接口
D1
D2
D3
n1-M
D4
D5
D6
a°
n2-φ
DJ,LDJ30AB
320
15
20
4
6
140
200
160
230
190
260
4-B10
6-M12
240
285
315
Ⅰ20
Ⅱ30
10-φ14
12-φ14
DJ,LDJ35A
334
17
20
5
6
170
200
230
6-M10
(6-M12)
260
320
360
Ⅰ20
Ⅱ30
10-φ14
12-φ14
DJ,LDJ40AB
334
17
20
4
6
200
230
230
260
260
290
6-M10
6-M12
260
320
360
Ⅰ20
Ⅱ30
10-φ14
12-φ14
DJ,LDJ45A
338
20
20
5
6
200
230
260
6-M10
(6-M12)
260
320
360
Ⅰ20
Ⅱ30
10-φ14
12-φ14
DJ,LDJ55AB
372
22
24
6
5
6
270
310
305
340
6-M10
8-M16
325
400
435
30
12-φ14
DJ,LDJ65A
447
22
24
6
6
316(320)
360
400
8-M12
(8-M16)
350
420
460
30
12-φ18
DJ,LDJ70AB
447
22
24
6
5
6
316(320)
320
360
400
8-M12
(8-M16)
350
420
460
30
12-φ18
DJ,LDJ80AB
495
22
28
6
5
8
345
360
390
410
430
460
8-M16
(8-M20)
380
455
495
30
12-φ18
DJ,LDJ90A
519
22
28
7
8
400
450
490
12-M16
(12-M20)
430
510
555
30
12-φ23
DJ,LDJ100AB
535
25
28
9
5
10
455(460)
470
520
580
12-M20
480
560
600
22.5
16-φ23
DJ,LDJ110AB
660
30
25
11
6
10
520
590
650
12-M20
560
650
700
22.5
16-φ27
DJ,LDJ120A
660
30
38
11
10
520
590
650
12-M20
560
650
700
22.5
16-φ27
DJ,LDJ130AB
790
45
40
12
9
10
680
800
880
12-M30
720
810
880
18
20-φ27
DJ,LDJ140A
790
45
40
12
9
12
680
800
880
12-M30
720
810
880
18
20-φ27
DJ,LDJ150
790
45
45
14
10
12
820
940
1020
16-M30
840
940
1020
22.5
16-φ33
DJ,LDJ160
810
50
50
14
10
12
820
940
1020
16-M30
840
940
1020
22.5
16-φ33
DJ,LDJ180
910
55
50
14
10
12
960
1080
1160
20-M30
970
1080
1160
18
20-φ33
型號
攪拌軸軸端尺寸
DJ型
LDJ型
h(A/B)
h0
h1
h2
h3
h4
h5
h6
d0
d1
d2
M1
d3(h9)
zd4
b
b1
b2
t
t1
t2
H
重量kg
H
重量kg
DJ,LDJ30AB
250/254
53
103
3
13
22
30
3
30
32
32.8
M35×1.5
35
40
8
6
6
26
31
31.5
550
46
700
54
DJ,LDJ35A
253
53
113
3
15
24
40
3
35
42
42.8
M45×1.5
45
50
10
6
6
30
41
41.5
600
79
750
89
DJ,LDJ40AB
242/249
69
113
3
15
24
40
3
40
42
42.8
M45×1.5
45
50
12
6
6
35
41
41.5
600
79
750
89
DJ,LDJ45A
246
69
113
3
15
28
40
3
45
47
47.8
M50×1.5
50
65
14
8
8
39.5
46
46
600
84
750
94
DJ,LDJ55AB
274/272
80
118
4
15
27
40
3
55
57
57
M60×2
60
65
16
8
8
49
56
56
660
151
760
157
DJ,LDJ65A
333
87
143
4
18
32
50
3
65
71
72
M75×2
75
80
18
10
10
58
69
70
720
171
870
181
DJ,LDJ70AB
333/327
87
143
4
18
32
50
3
70
71
72
M75×2
75
80
20
10
10
62.5
69
70
720
171
870
181
DJ,LDJ80AB
371/340
91
163
4
18
32
60
3
80
81
82
M85×2
85
90
22
10
10
71
79
80
785
209
935
219
DJ,LDJ90A
375
125
168
4
20
36
60
3
90
91
92
M95×2
95
4110
25
12
12
81
89
90
805
266
955
276
DJ,LDJ100AB
386/360
134
178
4
24
42
60
3
100
111
112
M115×2
115
125
28
14
14
90
109
109.5
820
347
1020
362
DJ,LDJ110A
456
155
178
4
24
42
60
3
110
112
112
M115×2
115
125
28
14
14
100
108
109.5
1100
533
1150
537
DJ,LDJ120A
456
155
178
4
24
42
60
3
120
122
122
M125×2
125
140
32
14
14
109
119
119.5
1100
553
1150
557
DJ,LDJ130AB
570/570
197
208
4
28
46
70
3
130
135
137
M140×2
140
150
32
14
14
119
132
134.5
1200
723
1400
754
DJ,LDJ140A
570
197
208
4
28
48
70
3
140
145
147
M150×2
150
160
36
16
16
128
142
144
1200
743
1400
774
DJ,LDJ150
根據減
速機型
號而定
210
208
4
32
52
70
3
150
155
156
M160×3
160
170
36
16
16
138
152
154
1200
765
1400
798
DJ,LDJ160
210
227
4
32
52
80
3
160
165
166
M170×3
170
180
40
16
16
147
162
164
1200
780
1400
820
DJ,LDJ180
235
242
4
36
58
90
3
180
185
186
M190×3
190
200
45
18
18
165
180
182
1280
887
1400
933
注:圖示所“h”僅與本樣本BLD、LC-Ⅱ、DC-Ⅱ系列減速機相配,如選用其他型號或其他廠家減速機,“h”需另行計算。增高后的LDJ型機架其下部空間高度可容納205、206或207雙端面機械密封。
產品簡介:

DJ、LDJ型單支點機架主要參數及尺寸
| 型號 | H1 | H3 | H4 | H5 | H6 | 輸入端接口 | 輸出端接口 | |||||||
| D1 | D2 | D3 | n1-M | D4 | D5 | D6 | a° | n2-φ | ||||||
| DJ,LDJ30AB | 320 | 15 | 20 | 4 | 6 |
140 |
160 230 |
190 260 |
4-B10 6-M12 |
240 | 285 | 315 | Ⅰ20 Ⅱ30 |
10-φ14 12-φ14 |
| DJ,LDJ35A | 334 | 17 | 20 | 5 | 6 | 170 | 200 | 230 | 6-M10 (6-M12) |
260 | 320 | 360 | Ⅰ20 Ⅱ30 |
10-φ14 12-φ14 |
| DJ,LDJ40AB | 334 | 17 | 20 | 4 | 6 | 200 230 |
230 |
260 290 |
6-M10 6-M12 |
260 | 320 | 360 | Ⅰ20 Ⅱ30 |
10-φ14 12-φ14 |
| DJ,LDJ45A | 338 | 20 | 20 | 5 | 6 | 200 | 230 | 260 | 6-M10 (6-M12) |
260 | 320 | 360 | Ⅰ20 Ⅱ30 |
10-φ14 12-φ14 |
| DJ,LDJ55AB | 372 | 22 | 24 | 6 5 |
6 | 270 | 310 305 |
340 | 6-M10 8-M16 |
325 | 400 | 435 | 30 | 12-φ14 |
| DJ,LDJ65A | 447 | 22 | 24 | 6 | 6 | 316(320) | 360 | 400 | 8-M12 (8-M16) |
350 | 420 | 460 | 30 | 12-φ18 |
| DJ,LDJ70AB | 447 | 22 | 24 | 6 5 |
6 | 316(320) 320 |
360 | 400 | 8-M12 (8-M16) |
350 | 420 | 460 | 30 | 12-φ18 |
| DJ,LDJ80AB | 495 | 22 | 28 | 6 5 |
8 | 345 360 |
390 410 |
430 |
8-M16 (8-M20) |
380 | 455 | 495 | 30 | 12-φ18 |
| DJ,LDJ90A | 519 | 22 | 28 | 7 | 8 | 400 | 450 | 490 | 12-M16 (12-M20) |
430 | 510 | 555 | 30 | 12-φ23 |
| DJ,LDJ100AB | 535 | 25 | 28 | 9 5 |
10 | 455(460) 470 |
520 | 580 | 12-M20 | 480 | 560 | 600 | 22.5 | 16-φ23 |
| DJ,LDJ110AB | 660 | 30 | 25 | 11 6 |
10 | 520 | 590 | 650 | 12-M20 | 560 | 650 | 700 | 22.5 | 16-φ27 |
| DJ,LDJ120A | 660 | 30 | 38 | 11 | 10 | 520 | 590 | 650 | 12-M20 | 560 | 650 | 700 | 22.5 | 16-φ27 |
| DJ,LDJ130AB | 790 | 45 | 40 | 12 9 |
10 | 680 | 800 | 880 | 12-M30 | 720 | 810 | 880 | 18 | 20-φ27 |
| DJ,LDJ140A | 790 | 45 | 40 | 12 9 |
12 | 680 | 800 | 880 | 12-M30 | 720 | 810 | 880 | 18 | 20-φ27 |
| DJ,LDJ150 | 790 | 45 | 45 | 14 10 |
12 | 820 | 940 | 1020 | 16-M30 | 840 | 940 | 1020 | 22.5 | 16-φ33 |
| DJ,LDJ160 | 810 | 50 | 50 | 14 10 |
12 | 820 | 940 | 1020 | 16-M30 | 840 | 940 | 1020 | 22.5 | 16-φ33 |
| DJ,LDJ180 | 910 | 55 | 50 | 14 10 |
12 | 960 | 1080 | 1160 | 20-M30 | 970 | 1080 | 1160 | 18 | 20-φ33 |
| 型號 | 攪拌軸軸端尺寸 | DJ型 | LDJ型 | |||||||||||||||||||||
| h(A/B) | h0 | h1 | h2 | h3 | h4 | h5 | h6 | d0 | d1 | d2 | M1 | d3(h9) | zd4 | b | b1 | b2 | t | t1 | t2 | H | 重量kg | H | 重量kg | |
| DJ,LDJ30AB | 250/254 | 53 | 103 | 3 | 13 | 22 | 30 | 3 | 30 | 32 | 32.8 | M35×1.5 | 35 | 40 | 8 | 6 | 6 | 26 | 31 | 31.5 | 550 | 46 | 700 | 54 |
| DJ,LDJ35A | 253 | 53 | 113 | 3 | 15 | 24 | 40 | 3 | 35 | 42 | 42.8 | M45×1.5 | 45 | 50 | 10 | 6 | 6 | 30 | 41 | 41.5 | 600 | 79 | 750 | 89 |
| DJ,LDJ40AB | 242/249 | 69 | 113 | 3 | 15 | 24 | 40 | 3 | 40 | 42 | 42.8 | M45×1.5 | 45 | 50 | 12 | 6 | 6 | 35 | 41 | 41.5 | 600 | 79 | 750 | 89 |
| DJ,LDJ45A | 246 | 69 | 113 | 3 | 15 | 28 | 40 | 3 | 45 | 47 | 47.8 | M50×1.5 | 50 | 65 | 14 | 8 | 8 | 39.5 | 46 | 46 | 600 | 84 | 750 | 94 |
| DJ,LDJ55AB | 274/272 | 80 | 118 | 4 | 15 | 27 | 40 | 3 | 55 | 57 | 57 | M60×2 | 60 | 65 | 16 | 8 | 8 | 49 | 56 | 56 | 660 | 151 | 760 | 157 |
| DJ,LDJ65A | 333 | 87 | 143 | 4 | 18 | 32 | 50 | 3 | 65 | 71 | 72 | M75×2 | 75 | 80 | 18 | 10 | 10 | 58 | 69 | 70 | 720 | 171 | 870 | 181 |
| DJ,LDJ70AB | 333/327 | 87 | 143 | 4 | 18 | 32 | 50 | 3 | 70 | 71 | 72 | M75×2 | 75 | 80 | 20 | 10 | 10 | 62.5 | 69 | 70 | 720 | 171 | 870 | 181 |
| DJ,LDJ80AB | 371/340 | 91 | 163 | 4 | 18 | 32 | 60 | 3 | 80 | 81 | 82 | M85×2 | 85 | 90 | 22 | 10 | 10 | 71 | 79 | 80 | 785 | 209 | 935 | 219 |
| DJ,LDJ90A | 375 | 125 | 168 | 4 | 20 | 36 | 60 | 3 | 90 | 91 | 92 | M95×2 | 95 | 4110 | 25 | 12 | 12 | 81 | 89 | 90 | 805 | 266 | 955 | 276 |
| DJ,LDJ100AB | 386/360 | 134 | 178 | 4 | 24 | 42 | 60 | 3 | 100 | 111 | 112 | M115×2 | 115 | 125 | 28 | 14 | 14 | 90 | 109 | 109.5 | 820 | 347 | 1020 | 362 |
| DJ,LDJ110A | 456 | 155 | 178 | 4 | 24 | 42 | 60 | 3 | 110 | 112 | 112 | M115×2 | 115 | 125 | 28 | 14 | 14 | 100 | 108 | 109.5 | 1100 | 533 | 1150 | 537 |
| DJ,LDJ120A | 456 | 155 | 178 | 4 | 24 | 42 | 60 | 3 | 120 | 122 | 122 | M125×2 | 125 | 140 | 32 | 14 | 14 | 109 | 119 | 119.5 | 1100 | 553 | 1150 | 557 |
| DJ,LDJ130AB | 570/570 | 197 | 208 | 4 | 28 | 46 | 70 | 3 | 130 | 135 | 137 | M140×2 | 140 | 150 | 32 | 14 | 14 | 119 | 132 | 134.5 | 1200 | 723 | 1400 | 754 |
| DJ,LDJ140A | 570 | 197 | 208 | 4 | 28 | 48 | 70 | 3 | 140 | 145 | 147 | M150×2 | 150 | 160 | 36 | 16 | 16 | 128 | 142 | 144 | 1200 | 743 | 1400 | 774 |
| DJ,LDJ150 | 根據減 速機型 號而定 |
210 | 208 | 4 | 32 | 52 | 70 | 3 | 150 | 155 | 156 | M160×3 | 160 | 170 | 36 | 16 | 16 | 138 | 152 | 154 | 1200 | 765 | 1400 | 798 |
| DJ,LDJ160 | 210 | 227 | 4 | 32 | 52 | 80 | 3 | 160 | 165 | 166 | M170×3 | 170 | 180 | 40 | 16 | 16 | 147 | 162 | 164 | 1200 | 780 | 1400 | 820 | |
| DJ,LDJ180 | 235 | 242 | 4 | 36 | 58 | 90 | 3 | 180 | 185 | 186 | M190×3 | 190 | 200 | 45 | 18 | 18 | 165 | 180 | 182 | 1280 | 887 | 1400 | 933 | |
注:圖示所“h”僅與本樣本BLD、LC-Ⅱ、DC-Ⅱ系列減速機相配,如選用其他型號或其他廠家減速機,“h”需另行計算。增高后的LDJ型機架其下部空間高度可容納205、206或207雙端面機械密封。

a>