產品介紹
YZ型油冷擺線針輪電動滾筒
YZ型油冷、油浸式擺線針輪電動滾筒的適用范圍及特點
1、YZ型系列油冷(油浸)式擺線電動滾筒是為帶式輸送機配套理想的驅動裝置,它廣泛應用于礦山、冶金、化工、水泥、碼頭、電廠、糧食、輕工、食品等行業(yè)的傳送機械設備上。
2、本產品采用了電機直聯(lián)的針齒殼輸出的一級硬齒面擺線針輪減速機構,不僅結構簡單、體積小、傳動比大,而且由于擺線輪、針齒等采用軸承鋼制造,經熱處理硬度達HRC58~62,加之在傳動中為滾動摩擦和多齒嚙合,使之減速機構與漸開線齒輪傳動相比,具有承載能力大、過載能力強,傳動平穩(wěn)、噪音低、壽命長等優(yōu)點。
3、采用油浸式電機,可改變其冷卻條件,降低了定子繞組溫升,延長了電機的使用壽命,解決了因滲油而燒壞電機的弊端。
型油冷、油浸式擺線針輪電動滾筒的型號標記
標記示例及選用說明:

1、逆止型滾筒旋轉方向必須面對電機接線盒端觀察,順時針旋轉標注“S”,逆時針旋轉標注“N”,不需逆止時,則不標注滾筒旋轉方向代號。
2、滾筒必須在輸出扭矩范圍內使用,其輸出扭矩按下式計算:
M=500×
式中:M——扭矩(Nm)D——滾筒直徑(m)P——功率(KW)V——帶速(m/S)
YZ型油冷、油浸式擺線針輪電動滾筒的基本參數(直徑315-630mm)
直徑(mm)
功率(kw)
帶寬(mm)
表面線速度(m/s)
質量(kg)
max
315
(320)
0.25
0.32
0.4
0.55
0.63
0.8
1.0
1.25
1.6
2
2.5
1.5
500
·
·
·
·
·
·
·
·
184
650
·
·
·
·
·
·
·
·
195
2.2
500
·
·
·
·
·
·
·
·
·
186
650
·
·
·
·
·
·
·
·
·
196
3
500
·
·
·
·
·
·
215
650
·
·
·
·
·
·
222
800
·
·
·
·
·
·
230
4
500
·
·
·
·
·
·
222
650
·
·
·
·
·
·
230
800
·
·
·
·
·
·
240
400
1.5
500
·
·
·
·
·
·
·
·
·
211
650
·
·
·
·
·
·
·
·
·
220
800
·
·
·
·
·
·
·
·
·
230
2.2
500
·
·
·
·
·
·
·
·
·
215
650
·
·
·
·
·
·
·
·
·
225
800
·
·
·
·
·
·
·
·
·
238
3
500
·
·
·
·
·
·
·
·
·
246
650
·
·
·
·
·
·
·
·
·
258
800
·
·
·
·
·
·
·
·
·
270
4
500
·
·
·
·
·
·
·
·
·
250
650
·
·
·
·
·
·
·
·
·
263
800
·
·
·
·
·
·
·
·
·
275
5.5
500
·
·
·
·
285
650
·
·
·
·
300
800
·
·
·
·
315
, , , ,
直徑(mm)
功率(kw)
帶寬(mm)
表面線速度(m/s)
質量(kg)
500
0.40
0.55
0.63
0.8
1.0
1.25
1.6
2.0
2.5
3.15
1.5
500
·
·
·
·
·
270
650
·
·
·
·
·
284
800
·
·
·
·
·
298
2.2
500
·
·
·
·
·
·
275
650
·
·
·
·
·
·
289
800
·
·
·
·
·
·
303
3
500
·
·
·
·
·
·
·
·
·
320
650
·
·
·
·
·
·
·
·
·
335
800
·
·
·
·
·
·
·
·
·
350
4
500
·
·
·
·
·
·
·
·
·
326
650
·
·
·
·
·
·
·
·
·
341
800
·
·
·
·
·
·
·
·
·
356
5.5
500
·
·
·
·
·
·
·
·
·
390
650
·
·
·
·
·
·
·
·
·
405
800
·
·
·
·
·
·
·
·
·
420
7.5
500
·
·
·
·
·
·
·
·
·
410
650
·
·
·
·
·
·
·
·
·
425
800
·
·
·
·
·
·
·
·
·
440
11
650
·
·
·
·
·
·
·
·
·
500
800
·
·
·
·
·
·
·
·
·
520
15
650
·
·
·
·
·
·
·
·
·
528
800
·
·
·
·
·
·
·
·
·
548
630
5.5
650
·
·
·
·
·
·
·
·
550
800
·
·
·
·
·
·
·
·
575
1000
·<, /div>
·
·
·
·
·
·
·
605
1200
·
·
·
·
·
·
·
·
635
7.5
650
·
·
·
·
·
·
·
·
·
575
800
·
·
·
·
·
·
·
·
·
600
1000
·
·
·
·
·
·
·
·
·
636
1200
·
·
·
·
·
·
·
·
·
675
11
650
·
·
·
·
·
·
·
·
650
800
·
·
·
·
·
·
·
·
678
1000
·
·
·
·
·
·
·
·
720
1200
·
·
·
·
·
·
·
·
765
15
800
·
·
·
·
·
·
·
·
700
1000
·
·
·
·
·
·
·
·
740
1200
·
·
·
·
·
·
·
·
785
18.5
800
·
·
·
·
·
·
·
·
745
1000
·
·
·
·
·
·
·
·
790
1200
·
·
·
·
·
·
·
·
835
1400
·
·
·
·
·
·
·
·
885
22
800
·
·
·
·
·
·
·
·
830
1000
·
·
·
·
·
·
·
·
880
1200
·
·
·
·
·
·
·
·
930
1400
·
·
·
·
·
·
·
·
980
30
800
·
·
·
·
·
·
970
1000
·<, /TD>
·
·
·
·
·
1020
1200
,
·
·
·
·
·
·
1075
1400
·
·
·
·
·
·
1130
YZ型油冷、油浸式擺線針輪電動滾筒的基本參數(直徑800-1000mm)
直徑(mm)
功率(kw)
帶寬(mm)
表面線速度(m/s)
質量(kg)
max
800
0.55
0.63
0.8
1.0
1.25
1.6
2.0
2.5
3.15
5.5
1000
·
·
·
·
·
765
1200
·
·
·
·
·
800
1400
·
·
·
·
·
840
7.5
1000
·
·
·
·
·
·
·
·
785
1200
·
·
·
·
·
·
·
·
825
1400
·
·
·
·
·
·
·
·
865
11
1000
·
·
·
·
·
·
·
865
1200
·
·
·
·
·
·
·
905
1400
·
·
·
·
·
·
·
960
15
1000
·
·
·
·
·
·
·
942
1200
·
·
·
·
·
·
·
992
1400
·
·
·
·
·
·
·
1042
直徑(mm)
功率(kw)
帶寬(mm)
表面線速度(m/s)
質量(kg)
max
800
0.63
0.8
1.0
1.25
1.6
2.0
2.5
3.15
4.0
18.5
1000
·
·
·
·
·
·
·
992
1200
·
·
·
·
·
·
·
1045
1400
·
·
·
·
·
·
·
1098
22
1000
·
·
·
·
·
·
·
1085
1200
·
·
·
·
·
·
·
1140
1400
·
·
·
·
·
·
·
1195
30
1000
·
·
·
·
·
1235
1200
·
·
·
·
·
1290
1400
·
·
·
·
·
1340
37
1000
·
·
·
·
·
1335
1200
·
·
·
·
·
1390
1400
·
·
·
·
·
1445
45
1000
·
·
·
·
·
·
1810
1200
·
·
·
·
·
·
1900
1400
·
·
·
·
·
·
1960
55
1000
·
·
·
·
·
1950
1200
·
·
·
·
·
2010
1400
·
·
·
·
·
2070
1000
15
1000
·
·
·
·
·
1145
1200
·
·
·
·
·
1205
1400
·
·
·
·
·
1265
18.5
1000
·
·
·
·
·
1200
1200
·
·
·
·
·
1260
1400
·
·
·
·
·
1320
22
1000
·
·
·
·
·
1295
1200
·
·
·
·
·
1370
1400
·
·
·
·
·
1435
30
1000
·
·
·
·
·
1455
1200
·
·
·
·
·
1520
1400
·
·
·
·
·
1590
87
1000
·
·
·
·
·
·
1560
1200
·
·
·
·
·
·
1630
1400
·
·
·
·
·
·
1700
45
1200
·
·
·
·
·
·
2250
1400
·
·
·
·
·
·
2325
55
1200
·
·
·
·
·
2360
1400
·
·
·
·
·
2410
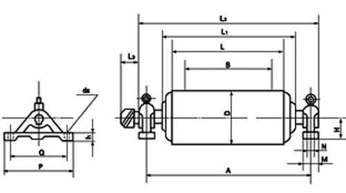
YZ型油冷、油浸式擺線針輪電動滾筒的外形安裝尺寸

D
B
A
L
L1
L2
H
M
N
P
Q
ds
h
L3
315
(320)
500
850
600
≤732
940
120
90
-
340
280
27
35
95
650
1000
750
≤882
1090
800
1300
950
≤1032
1390
400
500
850
600
≤744
940
120
90
_
340
280
27
35
95
650
1000
750
≤894
1090
800
1300
950
≤1044
1390
500
500
850
600/620
≤748
960
100
07
_
340
280
27
35
115
650
1000
750
≤900
1120
120
90
800
1300
950
≤1100
1420
120
90
630
650
1000
750
≤868
1120
120
90
_
340
280
27
35
≤140
800
1300
950
≤1068
1430
140
130
80
400
330
27
35
1000
1500
1150
≤1268
1630
140
130
80
400
330
27
35
1200
1750
1400
≤1514
1900
160
160
90
440
360
34
50
1400
2000
1600
≤1720
2150
160
160
90
440
360
34
50
800
1000
1500
1150
≤1268
1630
140
145
80
400
330
27
35
≤140
1200
1750
1400
≤1514
1900
160
160
90
440
360
34
50
1400
2000
1600
≤1720
2150
160
160
90
440
360
34
50
1000
1000
1500
1150
≤1268
1630
140
145
80
400
330
27
35
≤140
1200
1750
1400
≤1514
1900
160
160
90
440
360
34
50
1400
2000
1600
≤1720
2150
160
160
90
440
360
34
50
| YZ型油冷擺線針輪電動滾筒 | |||||||||||||||||||||||||||||||||||||||||||||||||||||||||||||||||||||||||||||||||||||||||||||||||||||||||||||||||||||||||||||||||||||||||||||||||||||||||||||||||||||||||||||||||||||||||||||||||||||||||||||||||||||||||||||||||||||||||||||||||||||||||||||||||||||||||||||||||||||||||||||||||||||||||||||||||||||||||||||||||||||||||||||||||||||||||||||||||||||||||||||||||||||||||||||||||||||||||||||||||||||||||||||||||||||||||||||||||||||||||||||||||||||||||||||||||||||||||||||||||||||||||||||||||||||||||||||||||||||||||||||||||||||||||||||||||||||||||||||||||||||||||||||||||||||||||||||||||||||||||||||||||||||||||||||||||||||||||||||||||||||||||||||||||||||||||||||||||||||||||||||||||||||||||||||||||||||||||||||||||||||||||||||||||||||||||||||||||||||||||||||||||||||||||||||||||||||||||||||||||||||||||||||||||||||||||||||||||||||||||||||||||||||||||||||||||||||||||||||||||||||||||||||||||||||||||||||||||||||||||||||||||||||||||||||||||||||||||||||||||||||||||||||||||||||||||||||||||||||||
|
YZ型油冷、油浸式擺線針輪電動滾筒的適用范圍及特點 1、YZ型系列油冷(油浸)式擺線電動滾筒是為帶式輸送機配套理想的驅動裝置,它廣泛應用于礦山、冶金、化工、水泥、碼頭、電廠、糧食、輕工、食品等行業(yè)的傳送機械設備上。 2、本產品采用了電機直聯(lián)的針齒殼輸出的一級硬齒面擺線針輪減速機構,不僅結構簡單、體積小、傳動比大,而且由于擺線輪、針齒等采用軸承鋼制造,經熱處理硬度達HRC58~62,加之在傳動中為滾動摩擦和多齒嚙合,使之減速機構與漸開線齒輪傳動相比,具有承載能力大、過載能力強,傳動平穩(wěn)、噪音低、壽命長等優(yōu)點。 3、采用油浸式電機,可改變其冷卻條件,降低了定子繞組溫升,延長了電機的使用壽命,解決了因滲油而燒壞電機的弊端。 型油冷、油浸式擺線針輪電動滾筒的型號標記 標記示例及選用說明:
1、逆止型滾筒旋轉方向必須面對電機接線盒端觀察,順時針旋轉標注“S”,逆時針旋轉標注“N”,不需逆止時,則不標注滾筒旋轉方向代號。 2、滾筒必須在輸出扭矩范圍內使用,其輸出扭矩按下式計算: M=500× 式中:M——扭矩(Nm)D——滾筒直徑(m)P——功率(KW)V——帶速(m/S) YZ型油冷、油浸式擺線針輪電動滾筒的基本參數(直徑315-630mm)
, , , ,
YZ型油冷、油浸式擺線針輪電動滾筒的基本參數(直徑800-1000mm)
YZ型油冷、油浸式擺線針輪電動滾筒的外形安裝尺寸
| |||||||||||||||||||||||||||||||||||||||||||||||||||||||||||||||||||||||||||||||||||||||||||||||||||||||||||||||||||||||||||||||||||||||||||||||||||||||||||||||||||||||||||||||||||||||||||||||||||||||||||||||||||||||||||||||||||||||||||||||||||||||||||||||||||||||||||||||||||||||||||||||||||||||||||||||||||||||||||||||||||||||||||||||||||||||||||||||||||||||||||||||||||||||||||||||||||||||||||||||||||||||||||||||||||||||||||||||||||||||||||||||||||||||||||||||||||||||||||||||||||||||||||||||||||||||||||||||||||||||||||||||||||||||||||||||||||||||||||||||||||||||||||||||||||||||||||||||||||||||||||||||||||||||||||||||||||||||||||||||||||||||||||||||||||||||||||||||||||||||||||||||||||||||||||||||||||||||||||||||||||||||||||||||||||||||||||||||||||||||||||||||||||||||||||||||||||||||||||||||||||||||||||||||||||||||||||||||||||||||||||||||||||||||||||||||||||||||||||||||||||||||||||||||||||||||||||||||||||||||||||||||||||||||||||||||||||||||||||||||||||||||||||||||||||||||||||||||||||||||

a>