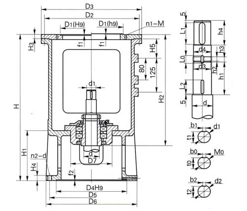
產品介紹

主要參數及尺寸(公稱直徑 300 、 400 、 500 、 700 )
機架
型號
機架
公稱
直徑
傳動
軸軸
徑d
傳動
軸上
端軸
徑d1
減速機輸
出軸徑d0
輸入
端接
口
輸出端接口
外形及其它尺寸
軸承型號
重量
(kg)
D4
H9
D5
D6
n2-d
f2
A型
B型
H3
H4
D7
上部
下部
A型
B型
H
H1
H2
H3
L
H
H1
H2
H3
L
XS3
300
60
45
35,40,45
見
表
320
400
445
12-22
6
1155
279
204
620
339
1400
399
324
745
429
20
32
280
153513
46216
196
207
70
55
45,50,55
197
383
317
508
153516
46216
198
209
80
65
55,60,65
186
413
306
538
153518
46218
203
214
XS4
400
90
75
55,65,70
415
515
565
16-26
6
1310
310
206
695
451
1535
420
316
810
566
25
34
310
153520
46222
343
357
100
85
65,70,80
195
471
305
586
153524
46222
356
370
XS5
500
100
85
65,70,80
520
620
670
20-26
6
1620
369
255
865
471
1870
494
380
990
586
30
36
335
153524
46224
546
572
110
90
70,80,90
251
501
376
646
153424
46226
561
587
120
100
90,95,100
247
521
372
666
153528
46228
566
592
130
110
95,100,110
234
569
359
694
153532
46230
578
604
XS6
700
120
100
90,95,100
670
780
860
28-26
6
1830
399
277
970
521
2060
514
392
1085
666
35
40
400
153528
46228
981
1018
130
110
95,100,110
264
569
379
694
153532
46230
991
1028
140
120
100,110,120
251
599
366
724
153534
46232
998
1035
160
140
120,130,140
243
647
358
762
153538
46234
990
1027
XS7
900
140
120
100,110,120
940
1070
1124
14-30
6.4
2150
426
283
1150
599
2350
550
407
1250
724
40
50
490
153534
46232
1500
1600
160
140
120,130,140
267
647
393
762
153538
46234
180
160
140,150,160
254
711
378
826
153540
46240
200
180
160,170,180
240
830
364
930
153544
46244
機架
型號
機架公
稱直徑
傳動軸
軸徑d
傳動軸上
端軸徑d1
傳動軸軸尺寸
M0
d2h9
d3
d4
h
h1
h2
h3
h4
L1
L0
L2
b1
b0
b2
t1
t0
t2
XS3
300
60
45k6
M55×2
55
52
50
322
125
4
15
68
60
27
40
14
8
8
39.5
51
51
70
55m6
M65×2
65
62
60
278
125
4
15
83
75
27
40
16
8
8
49
61
61
80
65m6
M75×2
75
72
70
264
139
4
18
98
90
32
50
18
10
10
58
69
70
XS4
400
90
75m6
M85×2
85
82
80
322
162
4
18
108
100
32
50
20
10
10
67.5
79
80
100
85m6
M95×2
95
92
90
317
166
4
22
118
110
38
50
22
12
12
76
89
90
XS5
500
100
85m6
M95×2
95
92
90
490
166
4
22
118
110
38
50
22
12
12
76
89
90
110
90m6
M100×2
100
97
95
420
166
4
22
118
110
38
50
25
12
12
81
94
95
120
100m6
M110×2
110
107
105
413
177
4
22
128
120
40
60
28
14
14
90
104
104.5
130
110m6
M120×2
120
117
115
370
177
4
26
138
130
44
70
28
14
14
100
114
114.5
XS6
700
120
100m6
M110×2
110
107
105
508
177
4
22
128
120
40
60
28
14
14
90
108
105.5
130
110m6
M120×2
120
117
115
465
177
4
26
138
130
44
70
28
14
14
100
114
114.5
140
120m6
M130×2
130
127
125
468
197
4
26
153
145
44
70
32
14
14
109
122
124.5
160
140m6
M150×2
150
147
145
441
207
4
30
168
160
50
70
36
16
16
128
142
144
XS7
900
140
120m6
M130×2
130
127
125
468
197
4
26
153
145
44
70
32
14
14
109
122
124.5
160
140m6
M150×2
150
147
145
441
207
4
30
168
160
50
70
69
16
16
128
142
144
180
160m6
M170×3
170
166
165
496
227
4
32
198
190
52
80
40
16
16
157
162
164
200
180m6
M190×3
190
186
185
536
242
4
32
238
230
54
90
45
18
18
175
180
182
XD、XS型機架輸入端接口尺寸
減速機輸出軸徑d0
減速機類別代號
D1
D2
D3
n1-M
f1
12
Z
65
100
120
4-M6
3
14
Z
85
120
140
4-M8
3
18
Z
100
134
160
4-M8
4
25
Z
130
160
180
6-M8
4
C
170
200
230
6-M10
3
30
C
200
230
260
6-M12
4
35
Z
170
200
230
6-M10
5
C
230
260
290
6-M12
4
40
Z
170
200
230
6-M10
5
C
230
260
290
6-M12
4
45
Z
200
230
260
6-M10
5
C
230
260
290
6-M12
4
50
Z
200
230
260
6-M10
5
C
270
305
340
6-M10
5
55
Z
200
230
260
6-M10
5
C
270
305
340
8-M16
5
60
C
320
360
400
8-M16
5
65
Z
316
360
400
8-M12
6
Z1
270
310
340
6-M10
5
減速機輸出軸徑d0
減速機類別代號
D1
D2
D3
n1-M
f1
60
C
320
360
400
8-M16
5
70
Z
316
360
400
8-M16
6
C
320
316
360
400
8-M16
5
80
Z
345
390
430
8-M16
6
Z1
316
360
400
8-M12
6
C
360
410
460
8-M20
6
90
Z
400
450
490
12-M16
8
C
360
410
460
8-M20
6
95
Z
400
450
490
12-M18
8
Z1
455
520
580
12-M20
10
100
Z
455
520
580
12-M20
10
C
470
520
580
12-M20
6
110
Z
520
590
650
12-M20
12
C
470
520
580
12-M20
6
120
Z
520
590
650
12-M20
12
C
550
600
660
12-M20
6
130
Z
680
800
880
12-M30
12
C
680
800
880
12-M30
12
140
Z
680
800
880
12-M30
12
180
Z
900
1020
1160
12-M36
12
注:1、減速機類別代號Z為X系列,B系列的擺線針輪減速C為LC型,DC型齒輪減速機。
2、其他類型減速機由我公司對接口加以調整后也可配套。

主要參數及尺寸(公稱直徑 300 、 400 、 500 、 700 )
| 機架 型號 |
機架 公稱 直徑 |
傳動 軸軸 徑d |
傳動 軸上 端軸 徑d1 |
減速機輸 出軸徑d0 |
輸入 端接 口 |
輸出端接口 | 外形及其它尺寸 | 軸承型號 | 重量 (kg) | ||||||||||||||||||
| D4 H9 |
D5 | D6 | n2-d | f2 | A型 | B型 | H3 | H4 | D7 | 上部 | 下部 | A型 | B型 | ||||||||||||||
| H | H1 | H2 | H3 | L | H | H1 | H2 | H3 | L | ||||||||||||||||||
| XS3 | 300 | 60 | 45 | 35,40,45 | 見 表 |
320 | 400 | 445 | 12-22 | 6 | 1155 | 279 | 204 | 620 | 339 | 1400 | 399 | 324 | 745 | 429 | 20 | 32 | 280 | 153513 | 46216 | 196 | 207 |
| 70 | 55 | 45,50,55 | 197 | 383 | 317 | 508 | 153516 | 46216 | 198 | 209 | |||||||||||||||||
| 80 | 65 | 55,60,65 | 186 | 413 | 306 | 538 | 153518 | 46218 | 203 | 214 | |||||||||||||||||
| XS4 | 400 | 90 | 75 | 55,65,70 | 415 | 515 | 565 | 16-26 | 6 | 1310 | 310 | 206 | 695 | 451 | 1535 | 420 | 316 | 810 | 566 | 25 | 34 | 310 | 153520 | 46222 | 343 | 357 | |
| 100 | 85 | 65,70,80 | 195 | 471 | 305 | 586 | 153524 | 46222 | 356 | 370 | |||||||||||||||||
| XS5 | 500 | 100 | 85 | 65,70,80 | 520 | 620 | 670 | 20-26 | 6 | 1620 | 369 | 255 | 865 | 471 | 1870 | 494 | 380 | 990 | 586 | 30 | 36 | 335 | 153524 | 46224 | 546 | 572 | |
| 110 | 90 | 70,80,90 | 251 | 501 | 376 | 646 | 153424 | 46226 | 561 | 587 | |||||||||||||||||
| 120 | 100 | 90,95,100 | 247 | 521 | 372 | 666 | 153528 | 46228 | 566 | 592 | |||||||||||||||||
| 130 | 110 | 95,100,110 | 234 | 569 | 359 | 694 | 153532 | 46230 | 578 | 604 | |||||||||||||||||
| XS6 | 700 | 120 | 100 | 90,95,100 | 670 | 780 | 860 | 28-26 | 6 | 1830 | 399 | 277 | 970 | 521 | 2060 | 514 | 392 | 1085 | 666 | 35 | 40 | 400 | 153528 | 46228 | 981 | 1018 | |
| 130 | 110 | 95,100,110 | 264 | 569 | 379 | 694 | 153532 | 46230 | 991 | 1028 | |||||||||||||||||
| 140 | 120 | 100,110,120 | 251 | 599 | 366 | 724 | 153534 | 46232 | 998 | 1035 | |||||||||||||||||
| 160 | 140 | 120,130,140 | 243 | 647 | 358 | 762 | 153538 | 46234 | 990 | 1027 | |||||||||||||||||
| XS7 | 900 | 140 | 120 | 100,110,120 | 940 | 1070 | 1124 | 14-30 | 6.4 | 2150 | 426 | 283 | 1150 | 599 | 2350 | 550 | 407 | 1250 | 724 | 40 | 50 | 490 | 153534 | 46232 | 1500 | 1600 | |
| 160 | 140 | 120,130,140 | 267 | 647 | 393 | 762 | 153538 | 46234 | |||||||||||||||||||
| 180 | 160 | 140,150,160 | 254 | 711 | 378 | 826 | 153540 | 46240 | |||||||||||||||||||
| 200 | 180 | 160,170,180 | 240 | 830 | 364 | 930 | 153544 | 46244 | |||||||||||||||||||
| 機架 型號 |
機架公 稱直徑 |
傳動軸 軸徑d |
傳動軸上 端軸徑d1 |
傳動軸軸尺寸 | |||||||||||||||||
| M0 | d2h9 | d3 | d4 | h | h1 | h2 | h3 | h4 | L1 | L0 | L2 | b1 | b0 | b2 | t1 | t0 | t2 | ||||
| XS3 | 300 | 60 | 45k6 | M55×2 | 55 | 52 | 50 | 322 | 125 | 4 | 15 | 68 | 60 | 27 | 40 | 14 | 8 | 8 | 39.5 | 51 | 51 |
| 70 | 55m6 | M65×2 | 65 | 62 | 60 | 278 | 125 | 4 | 15 | 83 | 75 | 27 | 40 | 16 | 8 | 8 | 49 | 61 | 61 | ||
| 80 | 65m6 | M75×2 | 75 | 72 | 70 | 264 | 139 | 4 | 18 | 98 | 90 | 32 | 50 | 18 | 10 | 10 | 58 | 69 | 70 | ||
| XS4 | 400 | 90 | 75m6 | M85×2 | 85 | 82 | 80 | 322 | 162 | 4 | 18 | 108 | 100 | 32 | 50 | 20 | 10 | 10 | 67.5 | 79 | 80 |
| 100 | 85m6 | M95×2 | 95 | 92 | 90 | 317 | 166 | 4 | 22 | 118 | 110 | 38 | 50 | 22 | 12 | 12 | 76 | 89 | 90 | ||
| XS5 | 500 | 100 | 85m6 | M95×2 | 95 | 92 | 90 | 490 | 166 | 4 | 22 | 118 | 110 | 38 | 50 | 22 | 12 | 12 | 76 | 89 | 90 |
| 110 | 90m6 | M100×2 | 100 | 97 | 95 | 420 | 166 | 4 | 22 | 118 | 110 | 38 | 50 | 25 | 12 | 12 | 81 | 94 | 95 | ||
| 120 | 100m6 | M110×2 | 110 | 107 | 105 | 413 | 177 | 4 | 22 | 128 | 120 | 40 | 60 | 28 | 14 | 14 | 90 | 104 | 104.5 | ||
| 130 | 110m6 | M120×2 | 120 | 117 | 115 | 370 | 177 | 4 | 26 | 138 | 130 | 44 | 70 | 28 | 14 | 14 | 100 | 114 | 114.5 | ||
| XS6 | 700 | 120 | 100m6 | M110×2 | 110 | 107 | 105 | 508 | 177 | 4 | 22 | 128 | 120 | 40 | 60 | 28 | 14 | 14 | 90 | 108 | 105.5 |
| 130 | 110m6 | M120×2 | 120 | 117 | 115 | 465 | 177 | 4 | 26 | 138 | 130 | 44 | 70 | 28 | 14 | 14 | 100 | 114 | 114.5 | ||
| 140 | 120m6 | M130×2 | 130 | 127 | 125 | 468 | 197 | 4 | 26 | 153 | 145 | 44 | 70 | 32 | 14 | 14 | 109 | 122 | 124.5 | ||
| 160 | 140m6 | M150×2 | 150 | 147 | 145 | 441 | 207 | 4 | 30 | 168 | 160 | 50 | 70 | 36 | 16 | 16 | 128 | 142 | 144 | ||
| XS7 | 900 | 140 | 120m6 | M130×2 | 130 | 127 | 125 | 468 | 197 | 4 | 26 | 153 | 145 | 44 | 70 | 32 | 14 | 14 | 109 | 122 | 124.5 |
| 160 | 140m6 | M150×2 | 150 | 147 | 145 | 441 | 207 | 4 | 30 | 168 | 160 | 50 | 70 | 69 | 16 | 16 | 128 | 142 | 144 | ||
| 180 | 160m6 | M170×3 | 170 | 166 | 165 | 496 | 227 | 4 | 32 | 198 | 190 | 52 | 80 | 40 | 16 | 16 | 157 | 162 | 164 | ||
| 200 | 180m6 | M190×3 | 190 | 186 | 185 | 536 | 242 | 4 | 32 | 238 | 230 | 54 | 90 | 45 | 18 | 18 | 175 | 180 | 182 | ||
XD、XS型機架輸入端接口尺寸
| 減速機輸出軸徑d0 | 減速機類別代號 | D1 | D2 | D3 | n1-M | f1 |
| 12 | Z | 65 | 100 | 120 | 4-M6 | 3 |
| 14 | Z | 85 | 120 | 140 | 4-M8 | 3 |
| 18 | Z | 100 | 134 | 160 | 4-M8 | 4 |
| 25 | Z | 130 | 160 | 180 | 6-M8 | 4 |
| C | 170 | 200 | 230 | 6-M10 | 3 | |
| 30 | C | 200 | 230 | 260 | 6-M12 | 4 |
| 35 | Z | 170 | 200 | 230 | 6-M10 | 5 |
| C | 230 | 260 | 290 | 6-M12 | 4 | |
| 40 | Z | 170 | 200 | 230 | 6-M10 | 5 |
| C | 230 | 260 | 290 | 6-M12 | 4 | |
| 45 | Z | 200 | 230 | 260 | 6-M10 | 5 |
| C | 230 | 260 | 290 | 6-M12 | 4 | |
| 50 | Z | 200 | 230 | 260 | 6-M10 | 5 |
| C | 270 | 305 | 340 | 6-M10 | 5 | |
| 55 | Z | 200 | 230 | 260 | 6-M10 | 5 |
| C | 270 | 305 | 340 | 8-M16 | 5 | |
| 60 | C | 320 | 360 | 400 | 8-M16 | 5 |
| 65 | Z | 316 | 360 | 400 | 8-M12 | 6 |
| Z1 | 270 | 310 | 340 | 6-M10 | 5 |
| 減速機輸出軸徑d0 | 減速機類別代號 | D1 | D2 | D3 | n1-M | f1 |
| 60 | C | 320 |
360 |
400 |
8-M16 |
5 |
| 70 | Z | 316 | 360 | 400 | 8-M16 | 6 |
| C | 320 316 |
360 | 400 | 8-M16 | 5 | |
| 80 | Z | 345 | 390 | 430 | 8-M16 | 6 |
| Z1 | 316 | 360 | 400 | 8-M12 | 6 | |
| C | 360 | 410 | 460 | 8-M20 | 6 | |
| 90 | Z | 400 | 450 | 490 | 12-M16 | 8 |
| C | 360 | 410 | 460 | 8-M20 | 6 | |
| 95 | Z | 400 | 450 | 490 | 12-M18 | 8 |
| Z1 | 455 | 520 | 580 | 12-M20 | 10 | |
| 100 | Z | 455 | 520 | 580 | 12-M20 | 10 |
| C | 470 | 520 | 580 | 12-M20 | 6 | |
| 110 | Z | 520 | 590 | 650 | 12-M20 | 12 |
| C | 470 | 520 | 580 | 12-M20 | 6 | |
| 120 | Z | 520 | 590 | 650 | 12-M20 | 12 |
| C | 550 | 600 | 660 | 12-M20 | 6 | |
| 130 | Z | 680 | 800 | 880 | 12-M30 | 12 |
| C | 680 | 800 | 880 | 12-M30 | 12 | |
| 140 | Z | 680 | 800 | 880 | 12-M30 | 12 |
| 180 | Z | 900 | 1020 | 1160 | 12-M36 | 12 |
注:1、減速機類別代號Z為X系列,B系列的擺線針輪減速C為LC型,DC型齒輪減速機。
2、其他類型減速機由我公司對接口加以調整后也可配套。

a>