產品介紹
產品名稱:鋁合金殼單級FCPK
產品類別:蝸輪蝸桿減速機系列
產品型號:FCPK
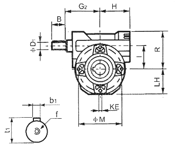
Size
B
G
G1
G2
H
I
LH
M
N
N1
N2
KE
R
30
20
62.5
55
58
46
30
39
65
30
30
2
4-M6×9
51
45
30
74
65
68
55
45
49
65
35
35
2
4-M6×14
72
50
30
81.5
81
74.5
65
50
54.5
94
38
38
3
4-M6×9
81
63
45
99.5
120
93
79
63
70
90
45
45
5
8-M8×17
100
63A
45
99.5
120
93
79
63
70
90
45
45
5
8-M8×17
100
85
50
124
135
112
98
85
94.5
130
64
64
3.5
4-M10×18
138
110
56
148
155
138
125
110
120
165
74
74
3.5
8-M12×30
170
Size
Output Flange
Input Shaft
Output Hole
Weight Kg
KA
KB
KC
KM
KN
KO
KP
D1
b1
t1
f
D
b
t
FC
FL
FC
FL
FC
FL
FC
FL
FC
FL
30
50.5
55.5
6
6
68
87
50
60
7
8.5
80
110
9
3
10.2
14
5
16.3
1
45
60.5
90.5
9
9
87
60
8.5
110
11
4
12.5
18
6
20.8
2.4
50
85
114.5
12
9
90
70
10.5
123
16
5
18
M6
25
8
28.3
3
63
86
116
13
7
150
115
10.5
175
18
6
20.5
M6
25
8
28.3
6
63A
85
111
13
7
165
130
13
200
18
6
20.5
M6
28
8
31.3
6
85
108
148.5
16
5
176
152
13
205
25
8
28
M8
35
10
38.3
11
110
131.5
179.5
16.5
11
230
170
13
270
25
8
28
M8
42
12
45.3
35
Special Type
Size
Output Flange
KA
KB
KC
KG
KM
F1
F2
F3
F4
F1
F2
F3
F4
F1
F2
F3
F4
F1
F2
F3
F4
F1
F2
F3
F4
30
49
5.5
3.5
21.5
56
45
73.5
60.5
51.5
11
9
8
4
9
3
41
19
19
115
87
100
50
83.5
76.5
66.5
11
12
10
4
9
4
43
36
26
130
90
115
63
102
116
82
13
13
11
7
7
5
42
56
22
165
150
130
63A
111
116
84.5
13
13
13.5
7
7
5
51
56
24.5
165
150
130
85
117.5
147.5
107
13
15
13
5
9
5
50
80
39
165
180
165
110
150
178
130
18
15
18
5
9.5
5
72.5
100.5
52.5
215
230
215
Size
Output Flange
Input Shaft
Output Hole
KN
KO
KP
D1
b1
t1
f
D
b
t
F1
F2
F3
F4
F1
F2
F3
F4
F1
F2
F3
F4
30
40
6.5
80
9
3
10.2
14
5
16.3
45
95
60
80
9
8.5
9
140
110
120
11
4
12.5
19
6
21.8
50
110
70
95
10
10.5
10
160
123
140
14
5
16
M5
24
8
27.3
63
130
115
110
13
11
10
200
175
160
19
6
21.5
M8
25
8
28.3
63A
130
115
110
13
11
11
200
175
160
19
6
21.5
M8
28
8
31.3
85
130
152
130
11.5
12.5
13
200
205
200
24
8
27
M8
35
10
38.3
110
180
170
180
15
13
15
250
270
250
28
8
31
M8
42
12
45.3
產品類別:蝸輪蝸桿減速機系列
產品型號:FCPK

|
Size |
B |
G |
G1 |
G2 |
H |
I |
LH |
M |
N |
N1 |
N2 |
KE |
R |
|
30 |
20 |
62.5 |
55 |
58 |
46 |
30 |
39 |
65 |
30 |
30 |
2 |
4-M6×9 |
51 |
|
45 |
30 |
74 |
65 |
68 |
55 |
45 |
49 |
65 |
35 |
35 |
2 |
4-M6×14 |
72 |
|
50 |
30 |
81.5 |
81 |
74.5 |
65 |
50 |
54.5 |
94 |
38 |
38 |
3 |
4-M6×9 |
81 |
|
63 |
45 |
99.5 |
120 |
93 |
79 |
63 |
70 |
90 |
45 |
45 |
5 |
8-M8×17 |
100 |
|
63A |
45 |
99.5 |
120 |
93 |
79 |
63 |
70 |
90 |
45 |
45 |
5 |
8-M8×17 |
100 |
|
85 |
50 |
124 |
135 |
112 |
98 |
85 |
94.5 |
130 |
64 |
64 |
3.5 |
4-M10×18 |
138 |
|
110 |
56 |
148 |
155 |
138 |
125 |
110 |
120 |
165 |
74 |
74 |
3.5 |
8-M12×30 |
170 |
|
Size |
Output Flange |
Input Shaft |
Output Hole |
Weight Kg | ||||||||||||||||
|
KA |
KB |
KC |
KM |
KN |
KO |
KP |
D1 |
b1 |
t1 |
f |
D |
b |
t | |||||||
|
FC |
FL |
FC |
FL |
FC |
FL |
FC |
FL |
FC |
FL | |||||||||||
|
30 |
50.5 |
55.5 |
6 |
6 |
68 |
87 |
50 |
60 |
7 |
8.5 |
80 |
110 |
9 |
3 |
10.2 |
14 |
5 |
16.3 |
1 | |
|
45 |
60.5 |
90.5 |
9 |
9 |
87 |
60 |
8.5 |
110 |
11 |
4 |
12.5 |
18 |
6 |
20.8 |
2.4 | |||||
|
50 |
85 |
114.5 |
12 |
9 |
90 |
70 |
10.5 |
123 |
16 |
5 |
18 |
M6 |
25 |
8 |
28.3 |
3 | ||||
|
63 |
86 |
116 |
13 |
7 |
150 |
115 |
10.5 |
175 |
18 |
6 |
20.5 |
M6 |
25 |
8 |
28.3 |
6 | ||||
|
63A |
85 |
111 |
13 |
7 |
165 |
130 |
13 |
200 |
18 |
6 |
20.5 |
M6 |
28 |
8 |
31.3 |
6 | ||||
|
85 |
108 |
148.5 |
16 |
5 |
176 |
152 |
13 |
205 |
25 |
8 |
28 |
M8 |
35 |
10 |
38.3 |
11 | ||||
|
110 |
131.5 |
179.5 |
16.5 |
11 |
230 |
170 |
13 |
270 |
25 |
8 |
28 |
M8 |
42 |
12 |
45.3 |
35 | ||||
Special Type
|
Size |
Output Flange | |||||||||||||||||||
|
KA |
KB |
KC |
KG |
KM | ||||||||||||||||
|
F1 |
F2 |
F3 |
F4 |
F1 |
F2 |
F3 |
F4 |
F1 |
F2 |
F3 |
F4 |
F1 |
F2 |
F3 |
F4 |
F1 |
F2 |
F3 |
F4 | |
|
30 |
49 |
5.5 |
3.5 |
21.5 |
56 |
|||||||||||||||
|
45 |
73.5 |
60.5 |
51.5 |
11 |
9 |
8 |
4 |
9 |
3 |
41 |
19 |
19 |
115 |
87 |
100 |
|||||
|
50 |
83.5 |
76.5 |
66.5 |
11 |
12 |
10 |
4 |
9 |
4 |
43 |
36 |
26 |
130 |
90 |
115 |
|||||
|
63 |
102 |
116 |
82 |
13 |
13 |
11 |
7 |
7 |
5 |
42 |
56 |
22 |
165 |
150 |
130 |
|||||
|
63A |
111 |
116 |
84.5 |
13 |
13 |
13.5 |
7 |
7 |
5 |
51 |
56 |
24.5 |
165 |
150 |
130 |
|||||
|
85 |
117.5 |
147.5 |
107 |
13 |
15 |
13 |
5 |
9 |
5 |
50 |
80 |
39 |
165 |
180 |
165 | |||||
|
110 |
150 |
178 |
130 |
18 |
15 |
18 |
5 |
9.5 |
5 |
72.5 |
100.5 |
52.5 |
215 |
230 |
215 |
|||||
|
Size |
Output Flange |
Input Shaft |
Output Hole | ||||||||||||||||
|
KN |
KO |
KP |
D1 |
b1 |
t1 |
f |
D |
b |
t | ||||||||||
|
F1 |
F2 |
F3 |
F4 |
F1 |
F2 |
F3 |
F4 |
F1 |
F2 |
F3 |
F4 | ||||||||
|
30 |
40 |
6.5 |
80 |
9 |
3 |
10.2 |
14 |
5 |
16.3 | ||||||||||
|
45 |
95 |
60 |
80 |
9 |
8.5 |
9 |
140 |
110 |
120 |
11 |
4 |
12.5 |
19 |
6 |
21.8 | ||||
|
50 |
110 |
70 |
95 |
10 |
10.5 |
10 |
160 |
123 |
140 |
14 |
5 |
16 |
M5 |
24 |
8 |
27.3 | |||
|
63 |
130 |
115 |
110 |
13 |
11 |
10 |
200 |
175 |
160 |
19 |
6 |
21.5 |
M8 |
25 |
8 |
28.3 | |||
|
63A |
130 |
115 |
110 |
13 |
11 |
11 |
200 |
175 |
160 |
19 |
6 |
21.5 |
M8 |
28 |
8 |
31.3 | |||
|
85 |
130 |
152 |
130 |
11.5 |
12.5 |
13 |
200 |
205 |
200 |
24 |
8 |
27 |
M8 |
35 |
10 |
38.3 | |||
|
110 |
180 |
170 |
180 |
15 |
13 |
15 |
250 |
270 |
250 |
28 |
8 |
31 |
M8 |
42 |
12 |
45.3 | |||

a>